Explosionproof Reducer For Cable Gland


| IP Rating : | IP68 |
| Certificates : | lECEx PRE 20.0123X |
| ATEX : | Presafe 20 ATEX 24571X |
| EAC : | RU C-IN.AA71.B.00212/20 |
| Thread Type : | Metric and NPT |
| Protection Type : | Ex d, Ex e, Ex t |
| Material : | Brass (CuZn39Pb3), Stainless Steel (SS304/SS316L) |
| Ambient Temperature : | IECEx/ATEX : -55° C < Ta < +160° C EAC: -60° C < Ta < +130° C |
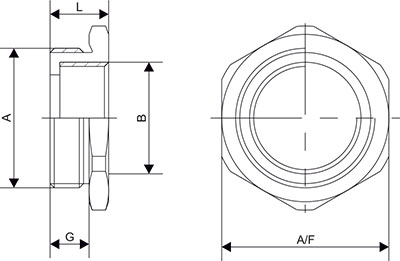
METRIC TO METRIC EX-PROOF REDUCER
| CODE | A | B | L | A/F | G |
| RD1M0OM | M20X1.5 | M12X1.5 | 22 | 25 | 16 |
| RD1M0M | M20X1.5 | M16X1.5 | 22 | 25 | 16 |
| RD2MOOM | M25X1.5 | M12X1.5 | 22 | 30 | 16 |
| RD2M0M | M25X1.5 | M16X1.5 | 22 | 30 | 16 |
| RD2M1M | M25X1.5 | M20X1.5 | 22 | 30 | 16 |
| RD3M0M | M32X1.5 | M16X1.5 | 22 | 36 | 16 |
| RD3M1M | M32X1.5 | M20X1.5 | 22 | 36 | 16 |
| RD3M2M | M32X1.5 | M25X1.5 | 22 | 36 | 16 |
| RD4M1M | M40X1.5 | M20X1.5 | 22 | 45 | 16 |
| RD4M2M | M40X1.5 | M25X1.5 | 22 | 45 | 16 |
| RD4M3M | M40X1.5 | M32X1.5 | 22 | 45 | 16 |
| RD5M1M | M50X1.5 | M20X1.5 | 24 | 55 | 16 |
| RD5M2M | M50X1.5 | M2 5X1.5 | 24 | 55 | 16 |
| RD5M3M | M50X1.5 | M32X1.5 | 24 | 55 | 16 |
| RD5M4M | M50X1.5 | M40X1.5 | 24 | 55 | 16 |
| RD6M1M | M63X1.5 | M20X1.5 | 24 | 68 | 16 |
| RD6M2M | M63X1.5 | M2 5X1.5 | 24 | 68 | 16 |
| RD6M3M | M63X1.5 | M32X1.5 | 24 | 68 | 16 |
| RD6M4M | M63X1.5 | M40X1.5 | 24 | 68 | 16 |
| RD6M5M | M63X1.5 | M50X1.5 | 24 | 68 | 16 |
| RD7M2M | M75X1.5 | M2 5X1.5 | 28 | 80 | 20 |
| RD7M3M | M75X1.5 | M32X1.5 | 28 | 80 | 20 |
| RD7M4M | M75X1.5 | M40X1.5 | 28 | 80 | 20 |
| RD7M5M | M75X1.5 | M50X1.5 | 28 | 80 | 20 |
| RD7M6M | M75X1.5 | M63X1.5 | 28 | 80 | 20 |
| RD8M3M | M90X1.5 | M32X1.5 | 28 | 95 | 20 |
| RD8M4M | M90X1.5 | M40X1.5 | 28 | 95 | 20 |
| RD8M5M | M90X1.5 | M50X1.5 | 28 | 95 | 20 |
| RD8M6M | M90X1.5 | M63X1.5 | 28 | 95 | 20 |
| RD8M7M | M90X1.5 | M75X1.5 | 28 | 95 | 20 |
| RD9M4M | M100X1.5 | M40X1.5 | 30 | 110 | 20 |
| RD9M5M | M100X1.5 | M50X1.5 | 30 | 110 | 20 |
| RD9M6M | M100X1.5 | M63X1.5 | 30 | 110 | 20 |
| RD9M7M | M100X1.5 | M75X1.5 | 30 | 110 | 20 |
| RD9M8M | M100X1.5 | M90X1.5 | 30 | 110 | 20 |
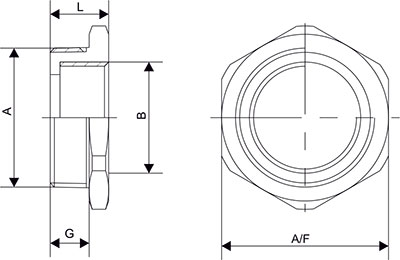
METRIC TO NPT EX-PROOF REDUCER
| CODE | A | B | L | A/F | G |
| RD1M0N | M20X1.5 | 3/8" NPT | 22 | 25 | 16 |
| RD2M0N | M25X1.5 | 3/8" NPT | 22 | 30 | 16 |
| RD2M1N | M25X1.5 | 1/2" NPT | 22 | 30 | 16 |
| RD3M1N | M32X1.5 | 1/2" NPT | 22 | 36 | 16 |
| RD3M2N | M32X1.5 | 3/4" NPT | 22 | 36 | 16 |
| RD4M1N | M40X1.5 | 1/2" NPT | 22 | 45 | 16 |
| RD4M2N | M40X1.5 | 3/4" NPT | 22 | 45 | 16 |
| RD4M3N | M40X1.5 | 1" NPT | 22 | 45 | 16 |
| RD5M1N | M50X1.5 | 1/2" NPT | 22 | 55 | 16 |
| RD5M2N | M50X1.5 | 3/4" NPT | 22 | 55 | 16 |
| RD5M3N | M50X1.5 | 1" NPT | 22 | 55 | 16 |
| RD5M4N | M50X1.5 | 1.1/4" NPT | 22 | 55 | 16 |
| RD6M2N | M63X1.5 | 3/4" NPT | 22 | 68 | 16 |
| RD6M3N | M63X1.5 | 1" NPT | 22 | 68 | 16 |
| RD6M4N | M63X1.5 | 1.1/4" NPT | 22 | 68 | 16 |
| RD6M5N | M63X1.5 | 1.1/2" NPT | 22 | 68 | 16 |
| RD7M3N | M75X1.5 | 1" NPT | 28 | 80 | 20 |
| RD7M4N | M75X1.5 | 1.1/4" NPT | 28 | 80 | 20 |
| RD7M5N | M75X1.5 | 1.1/2" NPT | 28 | 80 | 20 |
| RD7M6N | M75X1.5 | 2" NPT | 28 | 80 | 20 |
| RD8M3N | M90X1.5 | 1" NPT | 28 | 95 | 20 |
| RD8M4N | M90X1.5 | 1.1/4" NPT | 28 | 95 | 20 |
| RD8M5N | M90X1.5 | 1.1/2" NPT | 28 | 95 | 20 |
| RD8M6N | M90X1.5 | 2" NPT | 28 | 95 | 20 |
| RD8M7N | M90X1.5 | 2.1/2" NPT | 28 | 95 | 20 |
| RD9M4N | M100X1.5 | 1.1/4" NPT | 32 | 110 | 22 |
| RD9M5N | M100X1.5 | 1.1/2" NPT | 32 | 110 | 22 |
| RD9M6N | M100X1.5 | 2" NPT | 32 | 110 | 22 |
| RD9M7N | M100X1.5 | 2.1/2" NPT | 32 | 110 | 22 |
| RD9M8N | M100X1.5 | 3" NPT | 32 | 110 | 22 |


NPT TO METRIC EX-PROOF REDUCER
| CODE | A | B | L | A/F | G |
| RDONOOM | 3/8" NPT | M12X15 | 22 | 20 | 16 |
| RD1N0OM | 1/2" NPT | M12X1.5 | 27 | 25 | 21 |
| RD1N0M | 1/2" NPT | M16X1.5 | 27 | 25 | 21 |
| RD2NOOM | 3/4" NPT | M12X1.5 | 27 | 30 | 21 |
| RD2N0M | 3/4" NPT | M16X1.5 | 27 | 30 | 21 |
| RD2N1M | 3/4" NPT | M20X1.5 | 27 | 30 | 21 |
| RD3N0OM | 1" NPT | M12X1.5 | 32 | 36 | 26 |
| RD3N0M | 1" NPT | M16X1.5 | 32 | 36 | 26 |
| RD3N1M | 1" NPT | M20X1.5 | 32 | 36 | 26 |
| RD3N2M | 1" NPT | M25X1.5 | 32 | 36 | 26 |
| RD4NOOM | 1.1/4" NPT | M12X1.5 | 32 | 45 | 26 |
| RD4N0M | 1.1/4" NPT | M16X1.5 | 32 | 45 | 26 |
| RD4N1M | 1.1/4" NPT | M20X1.5 | 32 | 45 | 26 |
| RD4N2M | 1.1/4" NPT | M25X1.5 | 32 | 45 | 26 |
| RD4N3M | 1.1/4" NPT | M32X1.5 | 32 | 45 | 26 |
| RD5N1M | 1.1/2" NPT | M20X1.5 | 35 | 55 | 27 |
| RD5N2M | 1.1/2" NPT | M25X1.5 | 35 | 55 | 27 |
| RD5N3M | 1.1/2" NPT | M32X1.5 | 35 | 55 | 27 |
| RD5N4M | 1.1/2" NPT | M40X1.5 | 35 | 55 | 27 |
| RD6N2M | 2" NPT | M25X1.5 | 36 | 68 | 28 |
| RD6N3M | 2" NPT | M32X1.5 | 36 | 68 | 28 |
| RD6N4M | 2" NPT | M40X1.5 | 36 | 68 | 28 |
| RD6N5M | 2" NPT | M50X1.5 | 36 | 68 | 28 |
| RD7N3M | 2.1/2" NPT | M32X1.5 | 51 | 80 | 41 |
| RD7N4M | 2.1/2" NPT | M40X1.5 | 51 | 80 | 41 |
| RD7N5M | 2.1/2" NPT | M50X1.5 | 51 | 80 | 41 |
| RD7N6M | 2.1/2" NPT | M63X1.5 | 51 | 80 | 41 |
| RD8N3M | 3" NPT | M32X1.5 | 54 | 95 | 42 |
| RD8N4M | 3" NPT | M40X1.5 | 54 | 95 | 42 |
| RD8N5M | 3" NPT | M50X1.5 | 54 | 95 | 42 |
| RD8N6M | 3" NPT | M63X1.5 | 54 | 95 | 42 |
| RD8N7M | 3" NPT | M75X1.5 | 54 | 95 | 42 |
| RD9N4M | 4" NPT | M40X1.5 | 57 | 120 | 45 |
| RD9N5M | 4" NPT | M50X1.5 | 57 | 120 | 45 |
| RD9N6M | 4" NPT | M63X1.5 | 57 | 120 | 45 |
| RD9N7M | 4" NPT | M75X1.5 | 57 | 120 | 45 |
| RD9N8M | 4" NPT | M90X1.5 | 57 | 120 | 45 |
NPT TO NPT EX-PROOF REDUCER
| CODE | A | B | L | A/F | G |
| RD1N0N | 1/2" NPT | 3/8" NPT | 29 | 25 | 21 |
| RD2N1N | 3/4" NPT | 1/2" NPT | 29 | 30 | 21 |
| RD3N1N | 1" NPT | 1/2" NPT | 34 | 36 | 26 |
| RD3N2N | 1" NPT | 3/4" NPT | 34 | 36 | 26 |
| RD4N1N | 1.1/4" NPT | 1/2" NPT | 34 | 45 | 26 |
| RD4N2N | 1.1/4" NPT | 3/4" NPT | 34 | 45 | 26 |
| RD4N3N | 1.1/4" NPT | 1" NPT | 34 | 45 | 26 |
| RD5N1N | 1.1/2" NPT | 1/2" NPT | 35 | 55 | 27 |
| RD5N2N | 1.1/2" NPT | 3/4" NPT | 35 | 55 | 27 |
| RD5N3N | 1.1/2" NPT | 1" NPT | 35 | 55 | 27 |
| RD5N4N | 1.1/2" NPT | 1.1/4" NPT | 35 | 55 | 27 |
| RD6N2N | 2" NPT | 3/4" NPT | 36 | 68 | 28 |
| RD6N3N | 2" NPT | 1" NPT | 36 | 68 | 28 |
| RD6N4N | 2" NPT | 1.1/4" NPT | 36 | 68 | 28 |
| RD6N5N | 2" NPT | 1.1/2" NPT | 36 | 68 | 28 |
| RD7N2N | 2.1/2" NPT | 3/4" NPT | 51 | 80 | 41 |
| RD7N3N | 2.1/2" NPT | 1" NPT | 51 | 80 | 41 |
| RD7N4N | 2.1/2" NPT | 1.1/4" NPT | 51 | 80 | 41 |
| RD7N5N | 2.1/2" NPT | 1.1/2" NPT | 51 | 80 | 41 |
| RD7N6N | 2.1/2" NPT | 2" NPT | 51 | 80 | 41 |
| RD8N4N | 3" NPT | 1.1/4" NPT | 54 | 95 | 42 |
| RD8N5N | 3" NPT | 1.1/2" NPT | 54 | 95 | 42 |
| RD8N6N | 3" NPT | 2" NPT | 54 | 95 | 42 |
| RD8N7N | 3" NPT | 2.1/2" NPT | 54 | 95 | 42 |
| RD9N5N | 4" NPT | 1.1/2" NPT | 57 | 120 | 45 |
| RD9N6N | 4" NPT | 2" NPT | 57 | 120 | 45 |
| RD9N7N | 4" NPT | 2.1/2" NPT | 57 | 120 | 45 |
| RD9N8N | 4" NPT | 3" NPT | 57 | 120 | 45 |










